Блок Питания Bn44 00370a

⚡ 👉🏻👉🏻👉🏻 ВСЯ ИНФОРМАЦИЯ ДОСТУПНА ЗДЕСЬ, КЛИКАЙ 👈🏻👈🏻👈🏻
Samsung Le22c450e1w . Ремонт, Схема, Сервис
Блок Питания Bn44-00700a - Razbor-tv .ru
Радиосхемы . - Инверторы И Ипп Серии Bn44
Блоки для ЖК и Плазменных телевизоров . С разбора и новые . . .
Схемы Блоков Питания И Инверторов Серии Bn44
Блоки Питания Для Жк (Lcd, Led) И Плазменных (Pdp . . .
Диагностика Блока Питания Bn44-00260a Жк Телевизоров . . .
Телевизоры - service manuals и электрические схемы . . .
LED Samsung UE22ES5000W питание BN44-00504A опознать R953
Блок питания BN44-00620A — Global Service
Материнская Плата Msi 970 Gaming
Hp Probook 450 G2 Блок Питания
Игровые Процессоры 1155
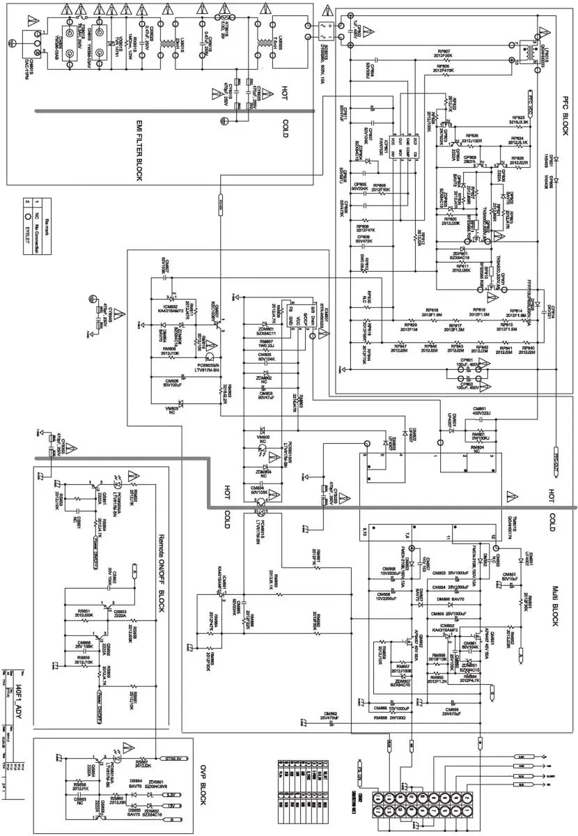
В схемотехнике телевизора SAMSUNG LE22C450E1W используется единый блок питания и инвертора, которые совмещены в один общий модуль BN44-00370A . При таком схемопостроении модуля нет возможности . . .
razbor-tv .ru › shop › samsung › power-supply › bn44-00700a
Купить блок питания bn44 -00700a для tv samsung ue32h4290auxru, матрица - hh032agh-r2
radio-uchebnik .ru › shem › 49-ivertory-zhk-i-monitorov › 1068-invertory-i-ipp-serii-bn44
Блок питания bn44 -00460a схема . pslf800a03c . ic9101 sem5025 icm801s fan7602 Скачать: Блок питания bn44 -00473a схема: icp801s spc7011f (полный аналог fa5695n) icm801 fsfr1700 ic9101 sem5025 isc801 sqd2011k (полный аналог str-w6253) Скачать: Блок питания bn44 -00501a . . .
tvservice .org › node › 6771
Блок питания bn44-00370a тв Samsung LE22C450E1W MAIN BN94-04278C , bn41-01536b тв Samsung LE32C454E3W инвертор ciu11-t0040 тв Philips T-CON v14 tm120 gplus UHD Ver 0 .3 , 6870c-0505a тв LG 49UB828V Main L#48K eax65704205(1 .1) 2014 .12 .10 , EBT63816801 тв LG 49UB828V , 49UB828V-ZH
radio-files .ru › bloki-pitaniya-i-invertory-serii-bn44
* bn44 -00645a * BN44 -00666E Posted in источники питания , Схемы Tagged Блок питания , Инвертор_подсветки , скачать , схема , Схема_TV_LCD
razbor-tv .ru › parts-list › power-supply
Вы можете купить блок питания для своего телевизора . У нас большой ассортимент и приемлемые цены . Блок питания для ТВ: Samsung, Toshiba, LG, Sony, Philips и другие .
Блока питания bn44 -00260a ЖК телевизоров samsung - конструкция, схемотехника и диагностика неисправностей данного блока питания,иллюстрация принципа работы . Вы читаете: Блок питания bn44 -00260a .
В архиве приведены электрические схемы источника питания bn44 -00340b ЖК телевизоров samsung le40c530f1w/wxru1) . . . Блок-схема главной платы2) Графический контроллер и flash-память3) Процессор uociii .
monitor .espec .ws › section9 › topic258672 .html
Добрый день! Телевизор Samsung UE22ES5000W Нужна помощь в поиске номинала детали резистор R953 на плате блока питания BN44 -00504A .Резистор из-за плохой пайки отвалился
Блок питания bn44 -00620a . Артикул: 60002013 . Блок питания bn44 -00620a . 4 200 . . .
Блок Питания Xilence 450w
Переходники Для Блока Питания Ноутбука Asus
Блок Питания Для Монитора 12v 3a
Блок Питания Mikrotik 48v2a96w
Блок Питания 85w Macbook
Atx Блок Питания Включить Без Материнской Платы
Блок Питания Для Usb Устройств
Блок Питания Cisco Pwr Rgd Ac Dc
Блок Питания Atx V 2.31
Блок Питания Bn44 00192a Купить
Блок Питания 3a
Блок Питания Corsair 750w
Блок Питания Evga 750w
Блок Питания Hiper Hpb 650 650w
Usb Зарядка Блока Питания 5v
Lenovo S145 Блок Питания
Блоки Питания Atx 12
Блоки Питания Raspberry Цена
Блок Питания Aerocool Vx 350 Plus
Блок Питания 24v 10a
Блок Питания Czcl 40a 5v 200w
Блок Питания Для Iphone 11
Блок Питания Corsair 750x
Блок Бесперебойного Питания На Din Рейку
Блок Питания Для Жесткого Диска Sata
Hp Compaq 6720s Блок Питания
Блок Питания Evga 500
Блок Питания Smartbuy Sbl Ip67 Driver 150w
Блок Питания 24v 2a Купить
Hp Probook 430 G2 Блок Питания
Блок Питания 2600 Ватт Zumax
Блок Питания Fsp Atx 550pnr
Блок Питания Meanwell 3200 48
Замена Блока Питания Телевизора Toshiba
Блок Питания Для Телевизора Jvc
Блок Питания Super Flower Leadex 750w
Atx Блок Питания Зарядное Устройство
Блок Питания Zalman Arx Arx Zm1200
Блок Питания Meanwell Dr 120 24
Блок Питания Acc 350w 12
Ryzen 3 1200 Блок Питания
Ls24d300hsi Ru Блок Питания
Блок Питания Под Xeon E5 2670 V3
Блок Питания Sharp
Блок Питания Ecola 12v 200w
Блок Питания Acer Spin
Блок Питания Deepcool 450w
Блоки Питания Aixin A1 Pro Купить
Блоки Питания Led Телевизоров Samsung
Блок Питания Ginzzu Cb500 500w
Hy3005d 3 Купить Лабораторный Блок Питания
Блок Питания Corsair Rm850x Cp 90200 Eu
Купить Блок Питания Apple 20w
Блок Питания Chieftec Gpa 450s 450w
Блок Питания Ginzzu Ca450
Блок Питания Atx Aerocool
L340 Lenovo Блок Питания
Блок Распределения Питания Legrand
Блок Питания Magsafe
Блок Питания Coolermaster Mwe Bronze 700w V2
Msi Z490 A Pro Блок Питания
Блок Питания Gigabyte 750w
Блок Питания Aerocool Eco 400w
Блок Питания Eps 83u
Блок Питания Xilence Gaming Series
Блок Питания Arpv D
Кабель Для Блока Питания Gigabyte
Импульсный Блок Питания Faraday
Блок Питания Arlight 150w 12v
Купить Блок Питания Power
Игла Блок Питания Ноутбука Hp Pavilion G6
Блок Питания Boxit Отзывы
Блок Питания Accordtec At 12 30
Блок Питания 5v 5.5 A
Da65nm111 00 Блок Питания Dell
Блок Питания Accord Acc 400w 12
Micro Itx Блок Питания
Блок Питания Выше 1300w 80 Gold
Блок Питания Для Ноутбука Hp Pavilion Dv7
Блок Питания Chieftec A135
Блок Питания Ginzzu Cb700 700w
Arlight Блок Питания 24v 150w
Блок Питания Inwin 600w
Блок Питания Be Quiet 1500w
Блок Питания Для Ноутбука Asus 45w
Vx2270smh Led Блок Питания
Скачет Напряжение В Блоке Питания Ноутбука Lenovo
Acer 1700 Блок Питания
Блок Питания Lenovo 20v 3.25 A 65w
Блок Питания Turbosky Bp 20
Блок Питания Для Компьютера Lenovo
Power 510 Блок Питания
Блок Питания Corsair Ax860i Выключается
Блок Питания Xbox 360 E Купить
Блок Питания Mean Well 12
Разъемы Sata На Блоке Питания
Блок Питания Mean Well Mdr 20 24
Блок Питания Dns Finepower Dnp 450
Блок Питания Для Ноутбука Honor Magicbook 15
Samsung Np355v5c Блок Питания
Блок Питания Bn44 00370a













































































