Блок Питания Atx 300

💣 👉🏻👉🏻👉🏻 ИНФОРМАЦИЯ ДОСТУПНА ЗДЕСЬ! КЛИКАЙ 👈🏻👈🏻👈🏻
Принципиальные схемы компьютерных блоков питания (описание . . .
Схема Блока Питания Компьютера Model Gp-300atx 12v P4a .
Схемы Компьютерных Блоков Питания Atx, at И Ноутбуков
Блок питания PSU 300 352RT . Схема - Tusiwo
Блоки питания для компьютеров 300 Вт — купить на Яндекс . . .
Схемы Компьютерных Блоков Питания Atx И At . Cборка № 10
ᐈ Блоки питания для компьютера | Белый Ветер - купить в . . .
Блок питания компьютера — Википедия
Блоки Питания (Бп) Купить В Интернет Магазине Dns . Блоки . . .
Блоки Питания Для Пк - Rozetka | Блок Питания Компьютера В . . .
Xiaomi Redmi Note 4x Материнская Плата Купить
Msi N1996 Материнская Плата Bios
Лучший Процессор Для Rtx 3070 Ti
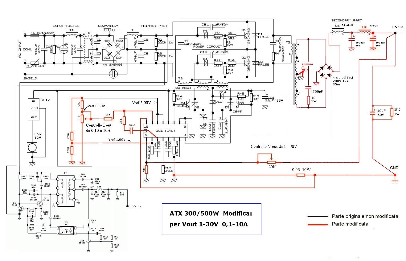
Описание принципиальной электрической схемы стандартного блока питания ПК . Полный список схем компьютерных БП atx на 300 , 350, 400, 450, 500 550w .
qokaciw .sacehumixo .ru .net › 3881679443-shema-bloka-pitaniya-kompyutera-model-gp-300atx-12v-p4a
Блок питания atx-300 p4-pfc . Схема электрическая принципиальная . Схема блока питания компьютера model gp-300atx 12v p4a . - Схемы для компьютеров . Материалы в категории . Схемы, справочники, документация, советы . .
Блок питания ac:90-240v dc:19v 3 .42a на top258en . . . bestec atx - 300 -12es на микросхемах uc3842, 3510 и a6351 . . . Схема вторичных цепей блока питания fsp atx -300paf на fsp3528 . . .
blok-pitaniya-psu-300-3rt-shema-tusiwo .abekom .ru .net
Блок питания psu 300 352rt . Схема . Архив Полезные схемы Схемы заводской радиоаппаратуры cхемы компьютерных блоков питания atx . Комментариев . Самые популярные статьи, Полный список схем 21 . Не редко при ремонте или . .
Блоки питания для компьютеров 300 Вт — сравнить модели и купить в проверенном магазине . В наличии популярные новинки и лидеры продаж . Поиск по параметрам, удобное сравнение моделей и цен .
Большая коллекция принципиальных схем компьютерных блоков питания atx и at . cборка № 10 .
Купить компьютерный блок питания HuntKey, AeroCool, Thermaltake, Cougar, Seasonic, be quiet! ☑️ Выгодная цена в shop .kz ⭐ Рассрочка | Кредит ⏩ Гарантия ⏩ Доставка по Казахстану Реальные отзывы покупателей .
Классический импульсный блок питания массового персонального компьютера мощностью 450 Вт (fsp atx -450pnf) . Его 120-мм вентилятор работает на вдув
Блок питания hiper hp-300sfx [arhp300sfx1909hr0001-0500] [ 300 Вт, ppfc, 20 + 4 pin, 1x 4 pin cpu, 2 шт sata] 29 98,96 1 Блок питания DEXP DPS-400 [400 Вт, 20 + 4 pin, 1x 4 pin CPU, 3 шт SATA, 1x 6 pin PCI-E]
Для геймеров подойдет блок питания с большим количеством разъемов, высокой мощностью, надежностью и низким уровнем шума . . . . Блок питания LogicPower ATX -500W (LP1981)
Блок Питания Cougar Cmx 1000w Обзор
Блок Питания Aerocool Kcas
Asus N53s Блок Питания
Pj580 Sony Блок Питания
Блок Питания Coorea 2000w Отзывы
Блок Питания Из Дежурки Atx Своими Руками
Блок Питания Нyреr 500 Ватт
Блок Питания Corsair Hx850
Блок Питания Zalman 650w
Блок Питания System Power 9 700w
Блок Питания Pv Link Pv Dc10a
Блок Питания Arpv St A
Samsung Ps60e6500 Блок Питания
Блок Питания Aerocool Vx Plus 550w Отзывы
18v 5a Блок Питания
Блок Питания Casio Ad 12
Acer Aspire 5750g Блок Питания
Номиналы Диодов Блока Питания Chieftec Aps 1000
Flex Atx Блок Питания Купить
Блок Питания 12v 60w Ip20
Hp Probook 440 G5 Блок Питания
Блок Питания Rf 1a
Deepcool Блоки Питания Купить
Блок Питания Epa 334d 1
Блок Питания Be Quiet 850w
Блок Питания Acer 19v 7.1 A
Кабель Iphone Для Лабораторного Блока Питания
Блок Питания Для Ноутбука Buro Bum 0036s40
Блок Питания Zalman Wattbit Ii
Bbk Ld1506si Блок Питания
Блок Питания Для Ноутбука Lenovo
Блок Питания Телевизора Dexp
Блок Питания Для Зарядки Airpods Pro
Адаптер Блок Питания 5v 3a
Блок Питания Zalman Zm700 Tx 700w
Блок Питания Quint Ps 1ac 24dc 10
Блок Питания 24v 1a
Блок Питания Yealink Sip T38g Yealink Цена
Блок Питания Adp 45bw C
Блок Питания Atx 2.03
Блок Питания Chieftec Aps 650sb
Acer Veriton X2660g Блок Питания
Блок Питания Ginzzu Ga 4290u
Блок Питания Zalman Lx 700w
Блок Питания Xbox One Горит Оранжевым
Блок Питания Yamaha Pa 3c
Блок Питания Atx 350pn
Блок Питания Cougar Ste500
Блок Питания Coolermaster Elite V4
Блок Питания 36w Ip20
Hyundai H Tv1405 Блок Питания
Блок Питания Turbosky Bp 20
Блок Питания Seasonic S12ii 550 Обзор
Блок Питания 24v 10a
Блок Питания Apple Cinema Display
Блок Питания Toshiba Satellite L300
Блок Питания Hipro Hpe450w
Ax1600i Блок Питания Купить Corsair Ax1600i
Купить Плату Блока Питания Pe0531 V28a000711c1
Блок Питания Для Ноутбука Asus X751l
Блок Питания Type C
Mikrotik Блок Питания
Блоки Питания Crown Micro Купить
Кабель Питания Sata Модульного Блока Питания
Блок Питания Ip S400j2 0
Блок Питания Omron M2
Ecola Блок Питания 12в
Блок Питания Poe 48v
Блок Питания Аэрокул Vx 500 Plus
Модуль Блока Питания Mdj Ziisn
Блок Питания Acer 135w
Hp Scanjet 3800 Блок Питания
Блок Питания Телевизора Jvc
Блок Питания 14v 1a
Блок Питания Q Dion 450w
Блок Питания Smart Tv
Блок Питания Для Intel Core I5
Блок Питания Aerocool Kcas Plus Gold 850w
Блок Питания Для Монитора Lg Flatron
Блок Питания Cougar Vtx700 Cgr Bs 700
12v 3.33 A Блок Питания
Блок Питания Chicony Для Acer
Блок Питания Finepower Dnp 450 Цена
Блок Питания At 12 30w
Блок Питания 6v 600ma
Блок Питания Chieftec 80
Asus Tuf Dash F15 Блок Питания
Блок Питания Cougar Ste600 Atx 600w
Блок Питания Sony Playstation 2
Nec 250gp 2rg Блок Питания Для Компьютера
Блок Питания Ecola
Блок Питания Для Моноблока Acer
Блок Питания Для Компьютера 24 4 Pin
Lenovo Y580 Блок Питания
Блок Питания M Atx
Блок Питания Ac Dc Adaptor
Aerocool Блок Питания Гарантия
Блок Питания Samsung 12v 3a
Asus R510c Блок Питания
Блок Питания Robiton En1500s
Блок Питания Atx 300







































.jpg)






















































