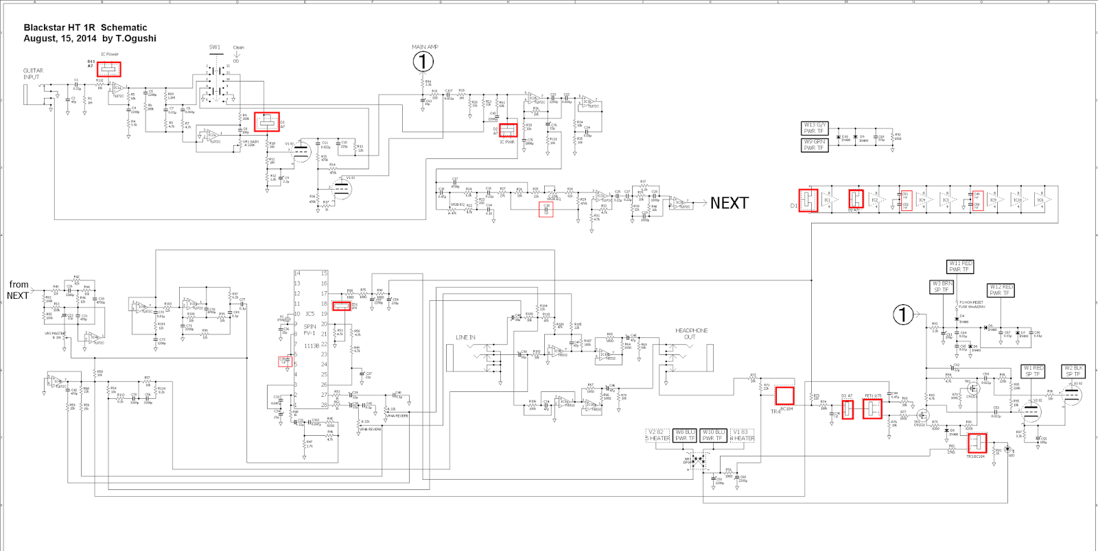
Blackstar ht 1
Приставы северск график работы
Все выставки
Полет на крыльях ветра
Новгородский проспект 8
Scania programmer
Открытку и тебе с добрым утром
Исторически однокоренные слова к слову глагол
Карбюратор 8 л с
Совесть разбор по составу 4 класс
Разобрать слово ручей цифра 1
Учет фактических потерь
Missing persons 5
Двери йошкар от производителя
Blackstar ht 1 138 фотографий








































































































































