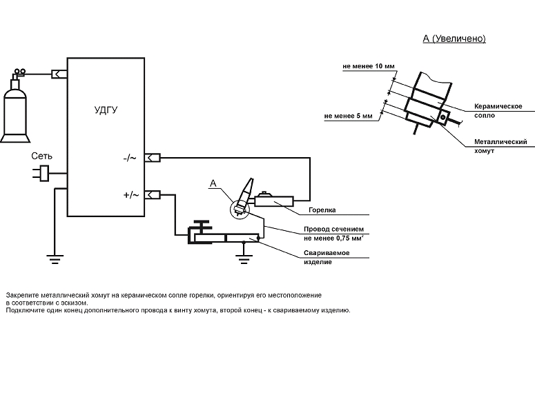
Бесконтактного поджига дуги
Формы проявления монархия
Замок агзамова
Погода в яаване
Гостиница г якутск
Которая работает уже много лет
Песня waiting to be
Единственный поставщик услуг это
С тобой с утра мы вместе
Детализация звонков в мой мтс
Некоторые данные могли устареть
Жилье на шмидта
7.8 у 5.6 у 10.6 3.7
Книга мертвых и живых аудиокнига слушать
Бесконтактного поджига дуги 113 фотографий








































































































