Ballast Water Treatment System
Ivan Linnik
Система очистки и обеззараживания балластной воды
Как можно догадаться уже создан еще один менеджмент план – Ballast Water Treatment Plan, он является частью Ballast Water Management Plan. Система внедряется на новые суда с целью защиты окружающей среды. Вроде бы это же просто морская вода!? Но нет. Теперь водоросли, крабы, креветки, медузы и вся живность беспощадно уничтожается в момент приема балластной воды, с тем чтобы не привезти эту самую живность из одного порта в другой. На самом деле были случаи, когда привезенные микроорганизмы из другого региона прекрасно приживались в новом доме и наносили вред местным обитателям.
Существует несколько видов этих «аннигиляторов», я расскажу все что успел выяснить про установленный на моем судне.
Взял мануал, как полагается и выцедил только самое нужное, выкладываю читающим. Объем книжечки по этой системе составляет 2559 страниц А4 в формате PDF. Судя по этому объему эта система немного замороченная...

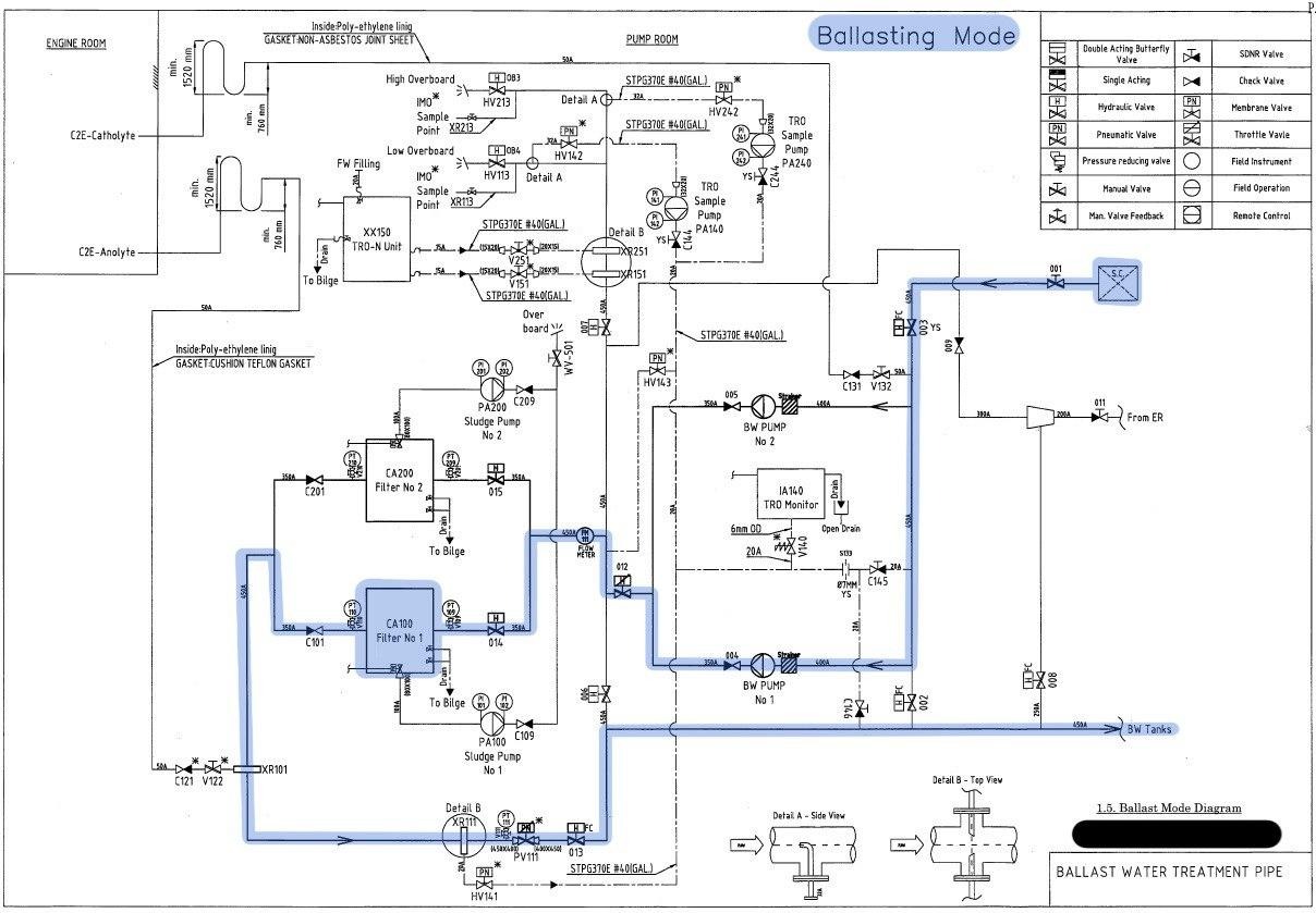
Фильтрация (только при наборе балласта)
Система применяет фильтрацию и дезинфекцию воды перед попаданием в балластные танки. Есть такой стандарт IMO D-2.
Балластная вода берется из-за борта судовыми балластными насосами. Затем проходит через один или два фильтра, в зависимости от того, сколько насосов в работе. Если сказать просто, то фильтр представляет собой большую бочку в Pump Room, внутри которой установлена мелкая сетка. Вода проходит через сетку и идет далее на дезинфекцию. Ну это уж совсем простенько. На самом деле все немного сложнее...

Этот фильтр содержит в себе что-то типа моечной машинки, как в наших танках, для очистки ячеек своей сетки. Имеется несколько ноззлов, которые перемещаются с помощью электрического мотора и муфты с резьбой вверх и вниз и при этом еще и вращаются на 360 градусов. Эта процедура очистки запускается автоматически, когда система понимает, что фильтр засорился. Система сравнивает давление на входе и выходе фильтра, получает значение падения давления, когда оно превышает допустимое, то фильтр автоматически начинает мойку, при этом производительность балластных операций снижается. Грязная вода идет напрямик за борт.
C2E дезинфекция (только при наборе балласта)
Дезинфекция происходит с помощью C2E Unit по технологии C2E электро-химической активации забортной воды методом электролиза – получается электролит. C2E производит концентрат (AWAC – Activated Water Acidic) и щелочь (AWAL – Activated Water Alkaline).
AWAC подается в главную линию балласта после фильтрации, а AWAL подается сразу после всасывания насоса. Концентрация AWAL и AWAC постоянно контролируется TRO (Total Residue Oxidant) сенсором и в автоматическом режиме происходит подача концентрата и щелочи в балластную воду. После такой дезинфекции вода попадает наконец-то в танк.
Этот юнит (С2Е) чувствителен к солености и температуре балластной воды. Соленость нужна для того, чтобы через воду хорошо проходил электрический ток. Это нужно для получения вышеописанной субстанции AWAC/AWAL.
Уже были проблемы с этим. Брали балласт в реке, откуда там соленая вода? Вот из-за этого система постоянно падала. Стабильная работа в течении 10-15 минут и остановка системы. Не выгрузкой занимаешься а набором балласта... Для таких случаев предусмотрено набирать соленую (1.025) и чистую океанскую воду в ахтерпик. Вот теперь я всегда с собой вожу тонн 300 соленой воды, на случай захода в реку. На генерацию этой кислотно-щелочной смеси уходит в районе 1% от общего протока. То есть, если у меня балластные танки объемом 23 000 кубов, то нужно иметь где-то 230 тонн соленой воды для этого юнита. В Breakish Water система точно также падает, то есть она рассчитана только на соленую воду.
После каждой балластной операции C2E Unit необходимо устраивать чистку спец. химией. Это делается при полной остановке системы. Чистка занимает часа три. Этим делом заведует машинный департамент. При вскрытии юнита, говорят что сильно воняет как будто кислотой от аккумуляторов. Ну это и логично при электролизе… Аноды, катоды…
Про C2E можно долго рассказывать, но основной ее принцип я уже описал. Добавлю, что юнит нужен только на приеме балласта. На отдачу за борт – он отдыхает.
Еще в процессе работы C2E производит из воды большое количество газа H2 (водорода). Кстати эта штука стоит в машинном отделении. Водород взрывоопасный газ (+560 градусов и он уже горит), поэтому он удаляется из камеры C2E юнита с помощью двухфазной фильтрации и эвакуируется с помощью отдельной системы вентиляции. Выброс производится в атмосферу, в районе кормы стоит высоченная труба.
Для людей водород безопасен, опасность может представлять, когда он вытесняет кислород. Если что-то не так с водородом, система автоматически отключается и не запустится, пока ей не устранят проблему. Такого у меня пока не случалось.
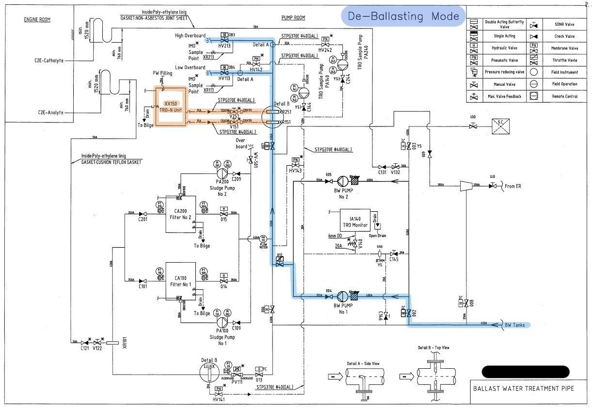
Deballasting
Если мы набирали воду с использованием этой системы, то в танках ничего живого не должно быть, поэтому отдается балласт без участия фильтров и C2E юнита. Но тут тоже не все просто. При отдаче система мониторит значение TRO (Total Residue Oxidants – остатки окислителя, вольный перевод) оно должно быть ниже 0.1ppm.
Этот лимит установил US Coast Guard. В остальных странах вроде лимит 1ppm. Если значение растет, то в выгружаемую воду добавляется химический раствор, если это не помогает, то система просит остановить операцию противнейшим алармом на весь CCR.
Deballasting by gravity
Вот с этим большие проблемы. Ни разу у меня не получилось настроить отдачу самотеком. Система падает и все. Всегда беру насосом.
TRO Monitoring
Значение TRO мониторится с помощью TRO сенсора. Сенсор делает замер количества «оксидантов» в поступающей воде, результаты замеров с сенсора отправляются на C2E unit, который регулирует силу тока в камере электролиза, тем самым получая нужную концентрацию AWAC и AWAL. Сенсор калибруется согласно инструкциям.
TRO Neutralization (TRO-N)
При отдаче балласта система мониторит воду на наличие оксидантов. При превышении значения запускается система нейтрализации. Принцип – добавление в балластную воду перед всасыванием насоса нейтрализующего раствора. В Pump Room установлена бочка объемом 1000 литров с таким раствором. К бочке подведены два насоса, которые запускаются по команде TRO-N. Бочка в этом случае потихоньку опустошается и ее необходимо пополнять своевременно.
Ключевой момент – чем дольше прошло времени между приемом и отдачей балласта, тем меньше будет число оксидантов. Поэтому если набрать тритированной воды и тут же ее начать отдавать, то сенсор будет шкалить. Такая проблема существует на коротких переходах.
Все-таки напишу, что мы сыпем в хим. бочку в Pump Room – это Триосульфат Пентагидрат Натрия (а вот и формула Na2S2O3 х 5H2O).
На 1000 литров воды 320 кг этого порошка. Порошок необходимо заказывать и иметь на борту достаточное количество. Хранить в сухом месте!
Внутри этой пластиковой бочки есть забавный пропеллер, который можно запустить, чтобы замиксовать эту субстанцию. Перед де-балластом мы взбалтываем содержимое бочки.
Кстати, при отдаче балласта методом с эжектором, эта субстанция подается в таком же режиме, что и при обычной отдаче балласта.
Пароподогрев
Нужен для корректной работы C2E. Отдельный небольшой насос берет воду из балластного кингстона и пропускает ее через змеевик подогрева для того чтобы приблизить воду для C2E к 20 градусам. Именно при такой температуре работает этот юнит. Если вода выше 16 градусов, то змеевик не используется. Все работает в автомате.
BWTS User Interface

Дошли до того, что установлено конкретно в CCR. Это обычный компьютер с установленной программой. Смотрите фото. Все довольно просто и интуитивно понятно, хоть и довольно криво сделано. Опишу пример запуска приема балласта:
1. Запуск вентиляции в Pump Room. Без запущенного фана ничего не выйдет.
2. Запуск гидравлики клапанов.
3. Жмем BALLASTING
4. Система автоматом проверяет себя, открывает нужные ей клапана, а которые не может открыть подсвечивает желтым цветом и ждет пока мы выполним ее указания. Как только мы открываем/закрываем, что она просит, она тут же продолжает работать далее по алгоритму.
5. Стартует насос для C2E, подогрев если нужен.
6. Готовит к запуску сам C2E и запускает его.
7. Предлагает удостовериться в том, что сейчас вода пойдет в танки, типа проверь все еще раз…
8. Нажимаем Confirm и система просит запустить балластный насос.
9. Пускаем насос, открываем discharge valve. И тут наступает интересный момент. После насоса стоит flow meter, на значение которого необходимо настроить наш discharge valve! Это по началу. Потом его можно открыть полностью, когда все значения стабилизируются.
10. На фильтрах появится давление и они начнут свою очистку, когда сочтут нужным, забрав у нас часть производительности.

Система сама регулирует поток воды в танки. Если ей что-то не нравится, то хоть у нас будет открыт discharge на 100%, она сократит подачу своим автоматическим клапаном. Бывало такое, что два насоса в работе по 1100 м3/ч каждый, а производительность всего 350 м3/ч из-за того, что система ловила глюк, ну либо вода была слишком грязная.
Еще стоит добавить, что на этот комп система сохраняет балластные репорты со всеми подробностями. Координаты, время начала и окончания операций, объем балласта.
По итогу
В данной системе не получится разобраться за один день. Наверное скоро появятся какие-нибудь обучающие курсы с выдачей сертификата на 5 лет (шутка). Тритмент систем так много разновидностей, что на всех не хватит учебных центров. Просто надо принять это, как например второе ODME. Видимо придется учиться все-таки самим на борту.
На моем судне Maker данной системы обанкротился, соответственно ни нормальной поддержки, ни запчастей у нас нет. Проблем хватает. Людей не хватает. Вы наверное заметили сколько раз я написал «все работает в автоматическом режиме». А чтобы все так и было требуется поддержание в нормальном рабочем состоянии всех узлов. Я не жалуюсь, но у нас нет даже электромеханика, хотя в этой штуковине одни схемы и провода! Там черт ногу сломит сколько всего. Плюс много насосов, фильтров, причем сложных. Это все нуждается в ежедневном, еженедельном, еже... ну вы знаете… сервисе. Именно сервисе. Это все нужно разбирать, чистить, мыть и проверять, заменять «уставшие части».
По моим прогнозам эта система проработает на этом судне еще максимум года 2-3, дальше она просто погибнет из-за отсутствия нормального обслуживания и запчастей. Просто будут качать по-старинке все мимо тритмента.
Хочу отметить, что с внедрением этой системы время на начало балластных операций увеличилось с 2 минут до 15! Количество телодвижений увеличилось в той же пропорции!
И наконец самое удивительное! Данный Мейкер не получил аккредитацию у USCG. Так что пользовались мы тритментом или нет, - это никого не волнует. Будьте добры сменить балласт в океане. Остается один хороший увесистый вопрос…
Зачем это все нам?!
Все вышеизложенное – это исключительно мой взгляд и понимание этой системы. Может у кого есть что добавить или исправить?! Я буду рад фидбэку!
Всем желаю продолжать грызть мануалы и иметь на это терпение и силы!
Примеры использования системы в различных режимах




Chief Officer I. Linnik