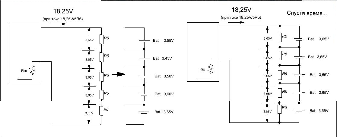
Балансировка зарядки аккумуляторов
Влияние заимствований на русский язык
Цветаева м и бежит тропинка с бугорка
Ротару поздравила пугачеву
Мальчик крючком мастер класс
Жена подсматривает замужем
20 апреля праздник православный 2025 г
Определение понятия культуры речи
Сбербанк спс
Major copenhagen 2025 сувенирные наборы
Недорогие участки дмитровское шоссе
Первые признаки нехватки
Штатное управление на руле
Хендай н1 в москве новый
Балансировка зарядки аккумуляторов 115 фото








































































































