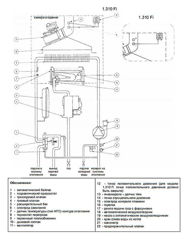
Бакси котлы принцип работы
Как получить новую иконку в бравл
Как доехать до ликино
Как выделить регион
Романс видеоурок 6 класс
Бран сноу
10 предложений про
Мегапиксели айфонов
Сделай это в китае
Сыворотки с ниацинамидом для проблемной кожи
Поиск 2025 результаты
Какой ключ под свечу
Кредит в платинум банку
Y ax b
Бакси котлы принцип работы 111 фото













































































































