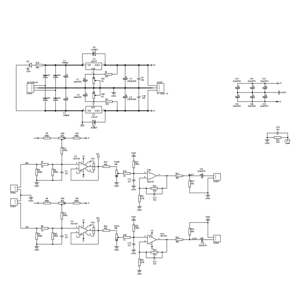
"B2 Op Amp Pre-Amplifier Finished Board & DIY Kit HiFi Stereo Audio Sound Amplifier Preamp" * Buy Now Just For 25$
yaNbfANcbcLooked for B2 Op Amp Pre-Amplifier Finished Board & DIY Kit HiFi Stereo Audio Sound Amplifier Preamp for a long time, but could not find it? Bring to your attention B2 Op Amp Pre-Amplifier Finished Board & DIY Kit HiFi Stereo Audio Sound Amplifier Preamp with the best price!
Go To Aliexpress Product Page »

Go To Aliexpress Product Page »

Go To Aliexpress Product Page »

Go To Aliexpress Product Page »

Go To Aliexpress Product Page »

Go To Aliexpress Product Page »

Go To Aliexpress Product Page »
Related products:
3D Tote Bag with Big Belly Candy Gift Mini Box Metal Cutting Dies Scrapbooking Embossing Card Craft No Stamp Christmas po luchsh 10 12
APTEKA Otrivin kompleks sprej naz 06mgml05mgml 10ml N1 Kupit sejchas za 381 rublej s dostavkoj 08 26
Besplatnaya dostavka 5 m v katushke 12 V postoyannogo toka sverhyarkaya SVETODIODNAYA lenta SMD 3014 10 12 lmsvetodiod 60 svetod 09 26
Buy now Stiletto heel Sandals Rene Caovilla Luxury Designer Crystal lamp pendant Rhinestone twining foot ring high ed womens sho 09 01
Buy now casual Dresses Lygens Human Infrared Thermal Imaging Print Dress Long Sleeve Sexy Bodycon Y2K Streetwear Women 2022 Wint 08 30
Hot Selling Natural Hand carve White Jade Cicada Necklace Pendant Fashio Jewelry Accessories Men Women Luck Gifts1D po luchshej 10 07
Kupit AutoRadio For Mazda CX 9 2016 2021 1025 screen Android 10 Octa Core 1920720 6128G Car Multimedia Player Stereo Receiver Ra 10 06
Kupit Car Net Pocket Handbag Holder Car Seat Storage Organizer Bag Auto Seat Gap Storage Mesh Pocket Car Interior Stowing Tidyin 10 13
LPS DOGS LittlePet Collection Figure Collie Rare Frog cow cat dog Swan monkey Animals Toys For Kids XMAS Gift po luchshej cene n 10 05
Niche Design Striped White Mother Of Pearl Ring Female K Gold Plated Simple Temperament Fashion Personality All Match Jewelry po 10 09
Onlayn Kazino Pin Ap Pin Ap Kazino Oficialnyj Sajt Registraciya Pin Up Zerkalo Rabochee Vhod 08 28
Pin Ap Kazino Oficialʹnyj Sajt Registracije Pin Up Casino Official Pin Up Kazino Zerkalo 08 27
Pin Ap Zerkalo Segodnya Pinap Pin Ap Kazino Oficialnyj Sajt Registraciya 08 25
Pin Up Com Pin Up Pt Igrovye Avtomaty Pin Up 08 22
Pin Up Stavki Pin Up Oficialnyj Pin Up Registration 08 31 2
Poliehtilenovaya plenka Dachnyj interes Kupit sejchas za 435 rublej s dostavkoj 09 05
Sugar Skulls Hooded Blanket Colorful Calavera Pattern Throw Blanket Mexican Celebration Day Of The Dead All Souls Day po luchs 09 30
The New Contec08a 3 Cuffs Veterinary Sphygmomanometer PC Software Can Be Equipped With Blood Oxygen Function Probe po luchshej c 10 05
USB To RJ45 Console Cable 18M for router switch debugging line control line Cisco USB Console po luchshej cene na rynke Vsego za 10 10
Udarnaya shestigrannaya torcevaya golovka Rockforce Kupit sejchas za 1336 rublej s dostavkoj 09 06
Ventilyator SolerPalau Kupit sejchas za 8930 rublej s dostavkoj 09 05
Www Pin Up Pin Up Casino Official Casino Website Pin Ap Stavki Zerkalo 08 28
Source-1 | Source-2 | Source-3 | Source-4 | Source-5 | Source-6 | Source-7 | Source-8 | Source-9 |
Interesting to know:
100 Precisely Cut Polarized Replacement Lenses for Offshoot Sunglasses Green Mirrored Coating Color Choices Buy Now Just For 1 10 15
100pcslot Over 8CM large size Natural Loofah Luffa sponge DIY customize cleanner soap tools dishsponge scrubberfacial Buy Now J 10 15
120mm Tire Tyre 19 Metal Wheel Rims RC 110 Climbing Rock Crawler Super Swamper Rocks Tyre For TF2 D90 D110 SCX10 II 90047 Buy N 10 21
2 Pair Emax AVAN Flow 5inch 5x43x3 3blades 2CW2CCW hawk 5 propeller FOR FPV emax hawk 5 4pcs Buy Now Just For 3 10 20
2023 Autumn Women Striped Hoodies Sweatshirt Long Sleeve Hooded Zipper Pockets Jackets Casual Tracksuit Female Clothes Buy Now 10 19
22 Reborn Baby Doll Girl Silicone Vinyl Bebe Doll with Bebe Toy Lifelike Gifts Toddler Boy Toys Girls Toys Buy Now Just For 73 10 17
25pcslot lab BT Glass fiber 13mm to 200mm No49 microporous membrane filter 49 TYPE fiberglass paper dust removing Buy Now Just 10 15
25pcsset Sweet Lady Wedding Tea Teapot Dessert Birthday Party Decorations Photobooth Props Baby Shower Party Favors Supplies Bu 10 15
5JJDM05001 Replacement Projector LampBulb For BenQ MW883USTMX882USTMW864UST Buy Now Just For 16 10 15
AS Life Jacket Couple Clothes Outdoor Fishing Swimming Boating Skiing Driving Vest Survival Suit Polyester Adult Rafting Suit B 10 20
Air Pruning Plant Root Control Nursery Pots Trainer Fast Root Grow Container Garden Tree Bonsai Transplant Tool Fast Nersery Pot 10 19
Aluminum Dancing Cane Stick Many Color Available Magic Tricks Stage Street Illusions Accessories Gimmick Floating Magia Wand Bu 10 19
Beauty Star 1050pcs Electric Derma Pen Needle 9 12 36 42 Nano Cartridges Bayonet For Drpen Ultima A6 Tattoo Micro Needles Buy N 10 16
BoysGirls Cute Cartoon French Bulldog Print Funny T shirt Kids Summer Comfortable Tops Children Casual T shirtooo2148 Buy Now J 10 16
Control panel hook locks Game cabinet Rocker box fastener for Arcade Game cabinet accessories coin operator game machine parts 10 16
Cute Japan Casual Foldable Drawstring Basket Monogram Canvas Buckets Candy Baskets Happy Party Decoration For Kids Tote Bag Kore 10 19
Gold Watch Men Quartz Wristwatch Fashion Stylish Hollow Gear Stainless Steel Waterproof Male Mens Clock Watches Relogio Masculin 10 16
HVAYI Wedding Props Gold plated Crown Street Light Iron Art Metal Road Guide Shelf Adjustable Height T Table Decoration Party B 10 18
Jeans Mom Womens High Waist Push Up Womens Retro Womens Boyfriend Pants Cotton Hemp Harem Pants Nine Points Casual Buy Now Just 10 20
Jelly White AB Color 157mm Flat Back Round Acrylic Rhinestones beads3D Acrylic Nail Art Garment Buy Now Just For 10 10 16
Large Full Arm Tattoo Pink Rose Waterproof Temporary Tattoo Sticker Peony Lily Ladies Arm Sleeve Sexy Body Art Fake Tattoo Men 10 17
Meshpot 10cm 12cm 15 cm Plastic Flower Pot Bonsai Garden Planter Succulent Cactus Root Control Pot Good Drainage with Air Holes 10 21
Military fans tactical goggles shooting bulletproof explosion proof impact glasses training protection Buy Now Just For 30 10 16
Replacement Lamp Module POA LMP35 for SANYO PLC SU30 PLC SU31 PLC SU32 PLC SU33 PLC SU35 PLC SU37 PLC SU38 Buy Now Just 10 14
Retro Glass Bottle Pendant Lights Cafe Bar Decorated Pendant Lighting Creative Glass Lamps Buy Now Just For 47 10 16
Rock Skulls Mens Leg Bags Steampunk Gothic Pack Retro Black Leather Waist Bag for Female Crossbody Messenger Phone Case Holder 10 17
Sex Instructor Blue Harajuku Hoodies Japanese Oversize Sportswear Gothic Vintage Funny Tshirt Hip Hop Harajuku Camisas Buy Now 10 19
Strbea 2000LM Fill Light 15M50ft Waterproof Fill Light Colorful RGB LED Lamp Underwater Diving Photography Lighting Accessory B 10 19
Winter Warm Woolen Mens Coat Custom Made Notch Lapel Wedding Tailored Blazer Jacket Only One Piece Business Formal Coat Buy Now 10 20
ZOVYVOL Leather alligator Credit Card Holder Aluminum Alloy RFID Blocking Card Wallet for Men Women PU Leather Business Holder 10 15
car DVR recorder For Infiniti Q50LESQ Version original dedicated Hidden Type Registrator Dash Camera WiFi 1080P Buy Now Just Fo 10 15
yjeng2014.co.kr | virtuozi.com | automobili.lv | rnma.xyz | forum.aunbox.com | s0628967.bget.ru | kraburihospital.go.th | jubiley.ru | showdream.org | bouchesocial.com | taupi.org | englishclub-plus.ru | taupi.org | bgmcd.co.uk | j96399nm.bget.ru | pinterest.co.uk | ar.pinterest.com | nl.pinterest.com | pinterest.jp | pinterest.com | google.co.jp | mbdou73-rostov.ru | metallatlas.de | misto.online | tianlai.bao.ac.cn | citrus.abc64.ru | circulation.pacificbasin.net | radver.ru | orioneducation.org | nittmann-ulm.de | oplata.info | oplata.info | oplata.info | oplata.info | oplata.info | maps.google.com.ec |