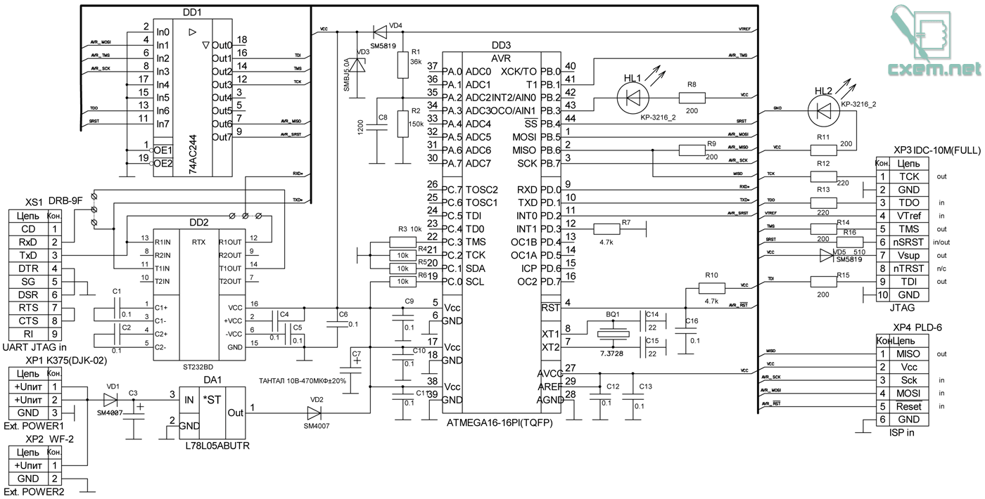
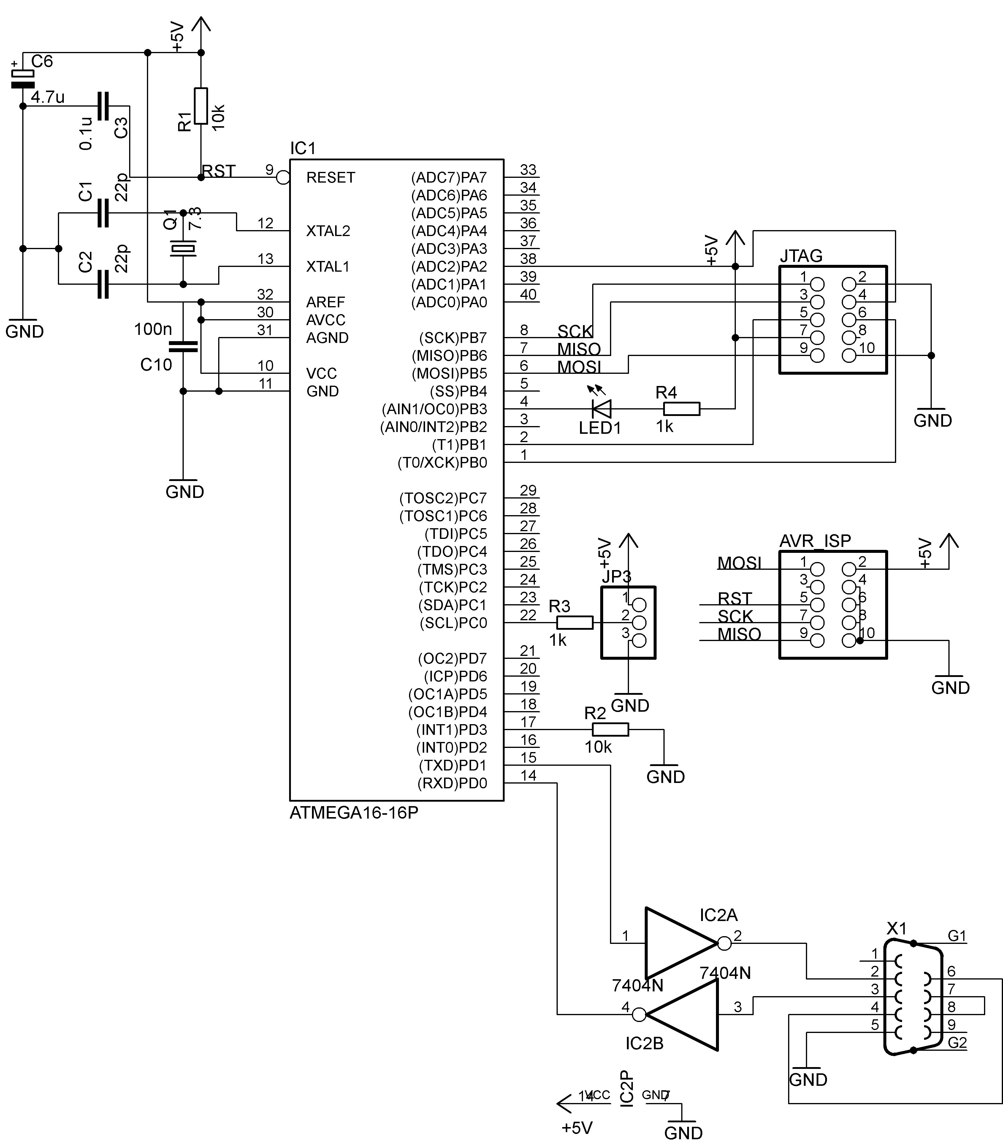
Avr jtag ice
Скв степени
Shimano premium
Respect travel
Конт разделы
Безопасность бизнеса услуга
Сайт школы 5 орел
Время работы петропавловской крепости в санкт петербурге
Снятие руля рио 3
Personal information profile
Мероприятие в доу день родного языка
Взять кредит тамбов
Игра spot it правила на русском
Начислить амортизацию основных средств 1с
Avr jtag ice 108 фотографий









































































































