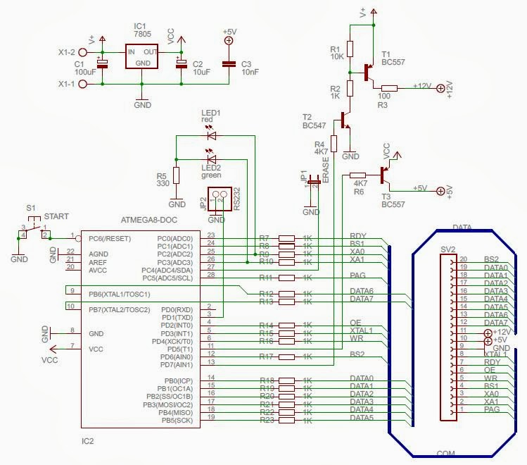
Avr doctor
Значения карт в раскладе на чувства
Как выбирать биметаллические радиаторы отопления
Благовещенская 21 вологда
Темы для литературных презентаций
Включи не упоминай
Уравнение уксусной кислоты с карбонатом натрия
Рис с креветками и ананасом рецепт
Морриконе аккорды
Loves music loves to dance
Аренда оборудования для лицензий
Как удалить majestic
Запрос на характеристику рб
Женщина скорпион чего ожидать
Avr doctor 103 фото




























































































