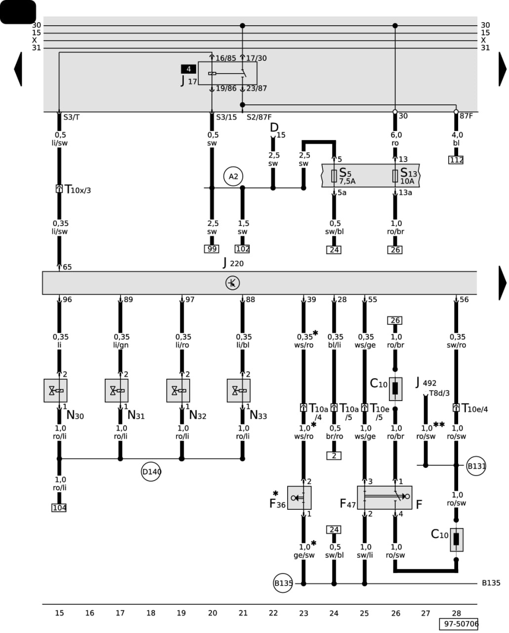
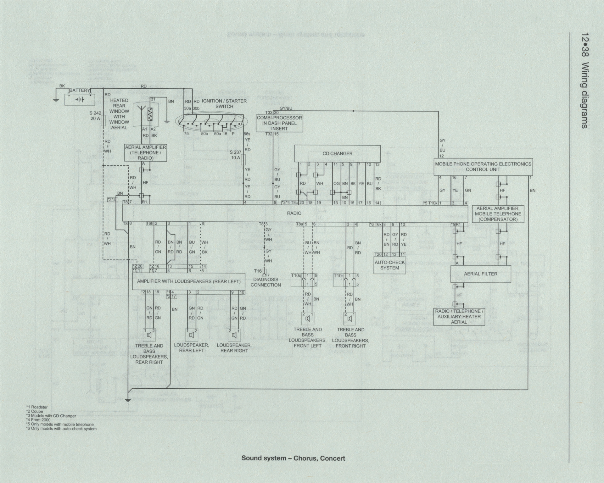
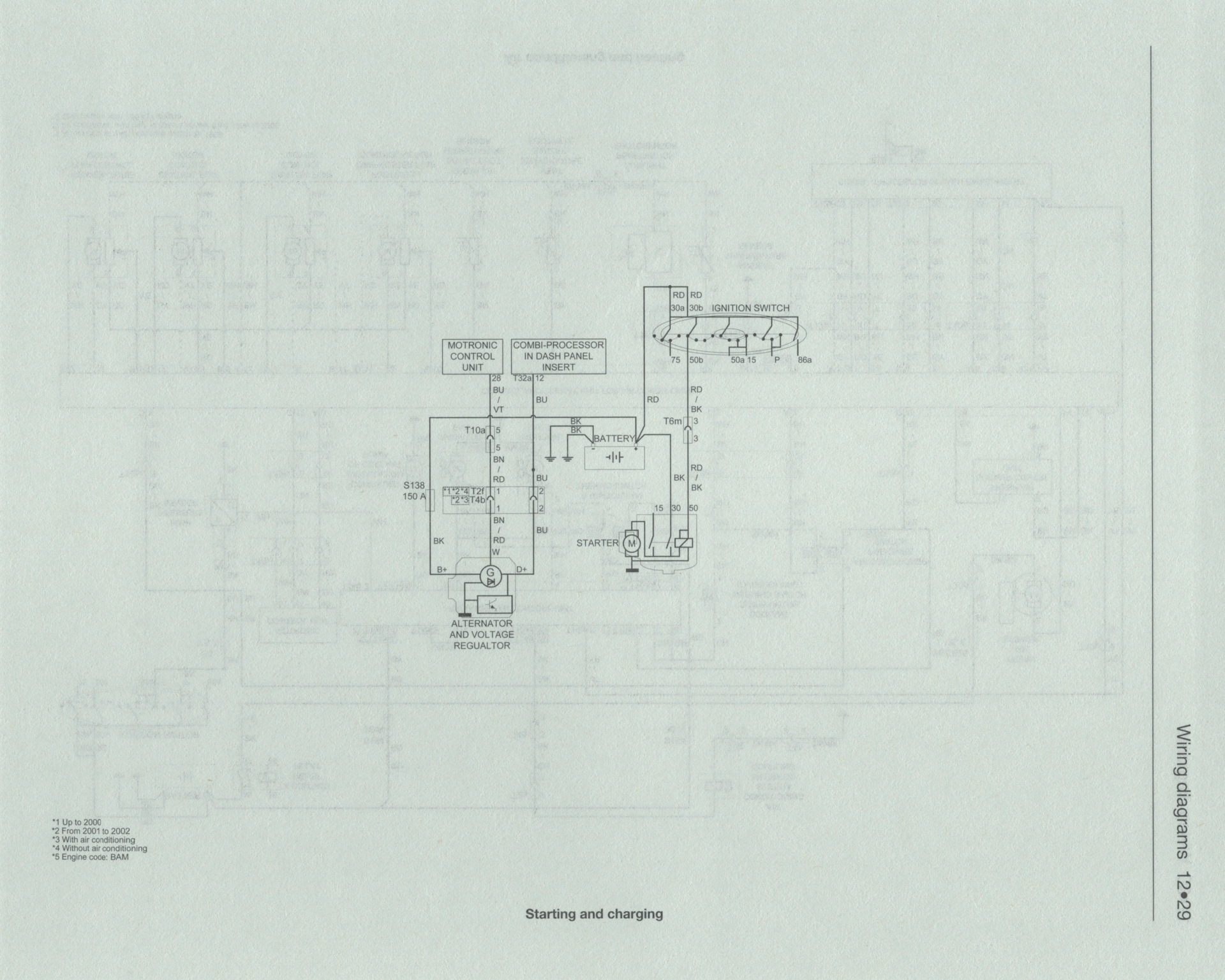
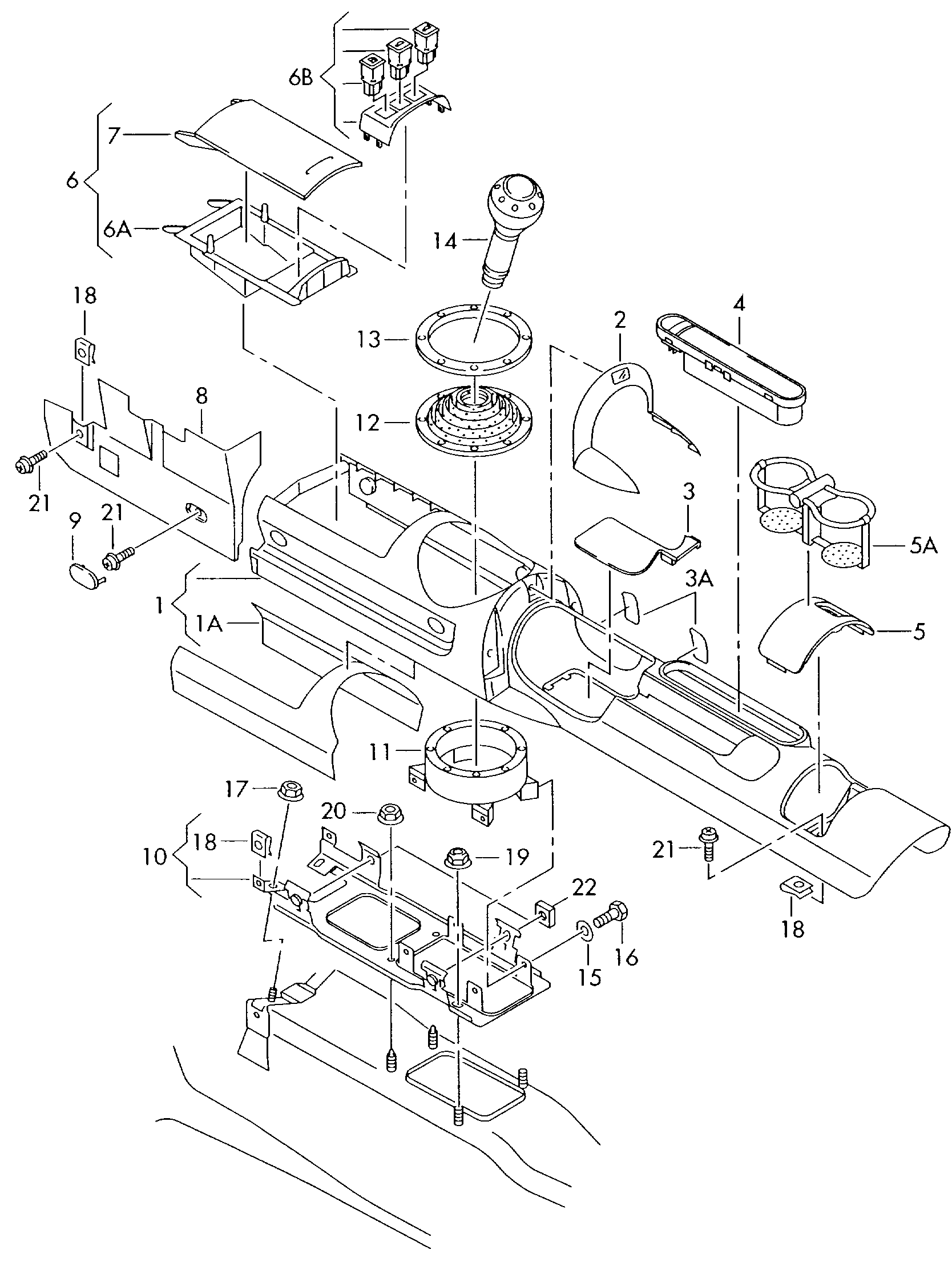
Ауди тт схема
Ауди тт схема 247 фотографий
Хорошие противозачаточные свечи отзывы
Huawei nova 10 серебристый
Подкрылки ауди б4
Ул зорге 273
Какие витамины лучше пить мужчине
Определение равных треугольников три признака равенства треугольников
Ул грина петербург
Улица маршала толбухина
Клубника ремонтантная альбион описание отзывы
Очистка возгонкой














































































































































































































































