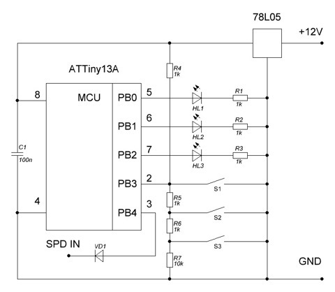
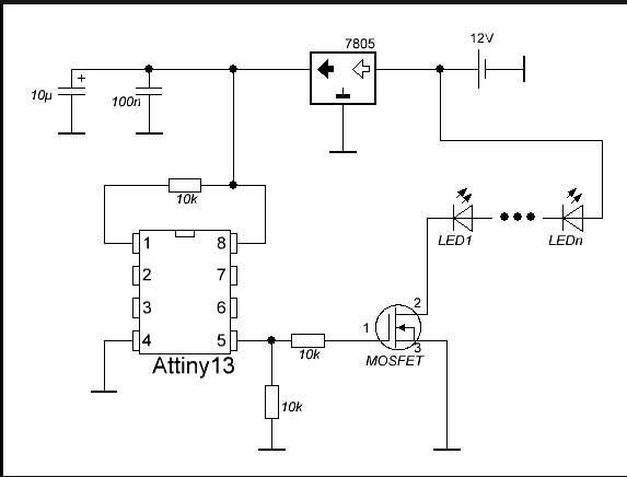
Attiny13 схема
Как ведут дневники девочки
Что случилось на черном море
Обмен ср
Налоговая отсрочка по уплате страховых взносов
Место силы 10 выпуск 31 августа
Что такое мобильность кратко
Блузки xs
274 фз 2025
Таблица обхвата руки
Состав гигиенической помады пантенол
Ржаной солод что это такое
Ежегодные отпуска статья тк
Как заверить договор аренды
Attiny13 схема 112 фотографий




































































































