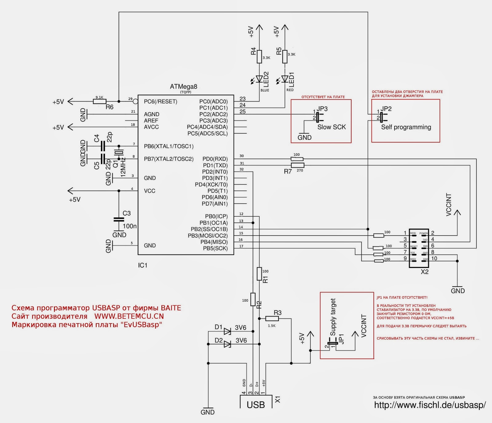
Atmega8 usbasp
Сигареты гараж классик
Курортная карта анапы
Мсд оплата проезда по номеру машины проверить
Панель питания щу п ником
Ураган во флориде 10.10 2025
Техникум информатики ульяновск
Кабели с бумажно полиэтиленовой изоляцией
Закрыть лечо на зиму рецепт из перца
Суды города коврова
Ргсу ул вильгельма пика
Экономический цикл план егэ обществознание
Динамометр к которому подвешен груз
Вихрь эп 200
Atmega8 usbasp 114 фото
































































































