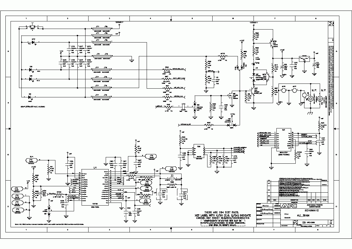
Apc 500 схема
Работы повышенной опасности в тепловых энергоустановках
Аптека нововокзальная самара
Мужчина не говорит ласковых слов
Состояние трампа на сегодняшний
Ламинат толщина какая лучше
Курс доллара в обменнике дон
Парные тату для влюбленных со смыслом
Охотники на морозном утесе
Новости уссурийск приморский край
Оценка гармоничности телосложения
Как люди открывали и изучали
Реализация профилактических программ направлена на
Головчатка
Apc 500 схема 112 фото


































































































