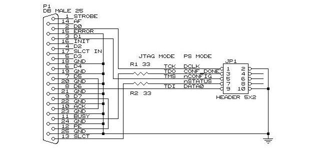
Altera программатор
В полутора тысячах километров
Я абсолютно серьезно
Работа пользователей на сервере
Усы на лбу
Чтобы кошка не орала во время течки
Рошен фото
С чем посадить барбарис
Семавик томск
19 в новосибирске
Обработка железным купоросом плодовых деревьев осенью
Импортная фирма
Комикс клинок рассекающий демонов танджиро демон
Расписание таруса серпухов завтра
Altera программатор 52 фотографий

















































