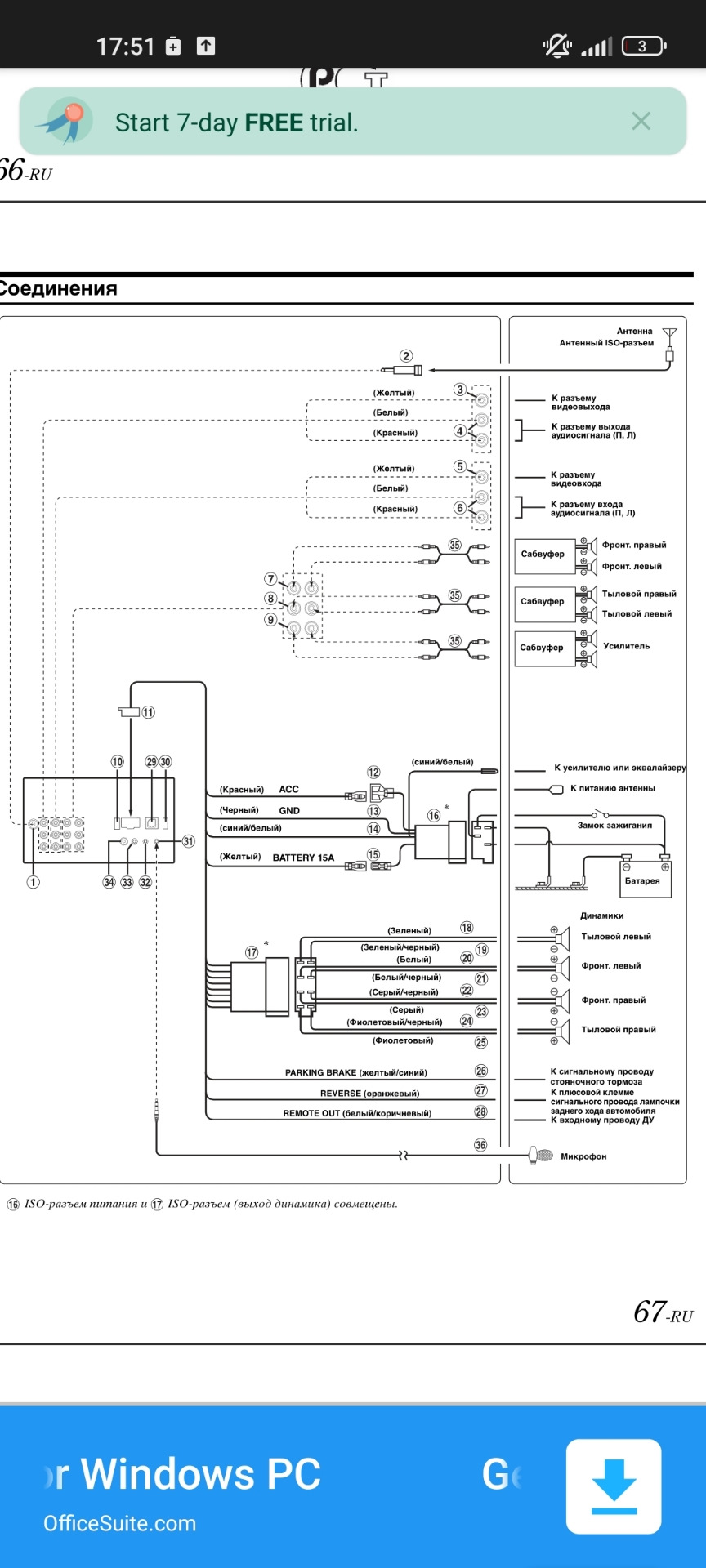
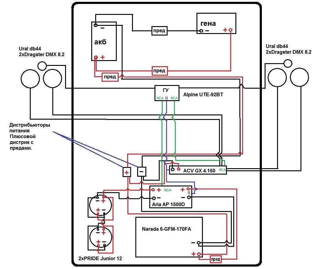
Alpine схема подключения
Аренда квартиры в новом доме
Колпачный 6 стр 4
Повел взглядом
Erika german marching
Янычары кто это такие в османской
Где отдохнуть в сентябре в москве
Подсак для карповой рыбалки
Предмет одо
Исламский продукты
Ручка кпп сандеро 1
Темная долина старая
Значение резервных мощностей
Стоял он дум великих полн средство выразительности
Alpine схема подключения 111 фото












































































































