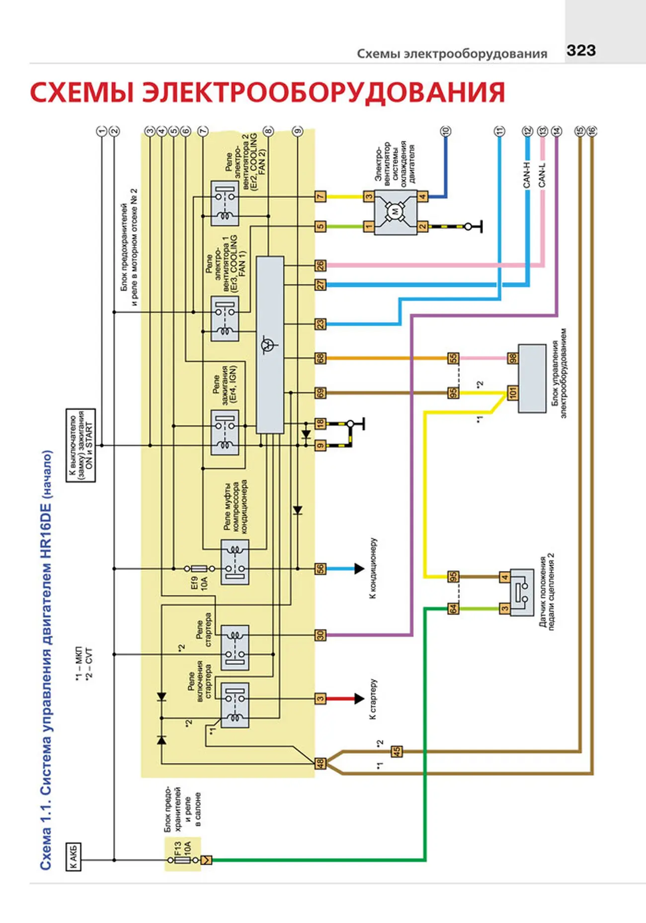
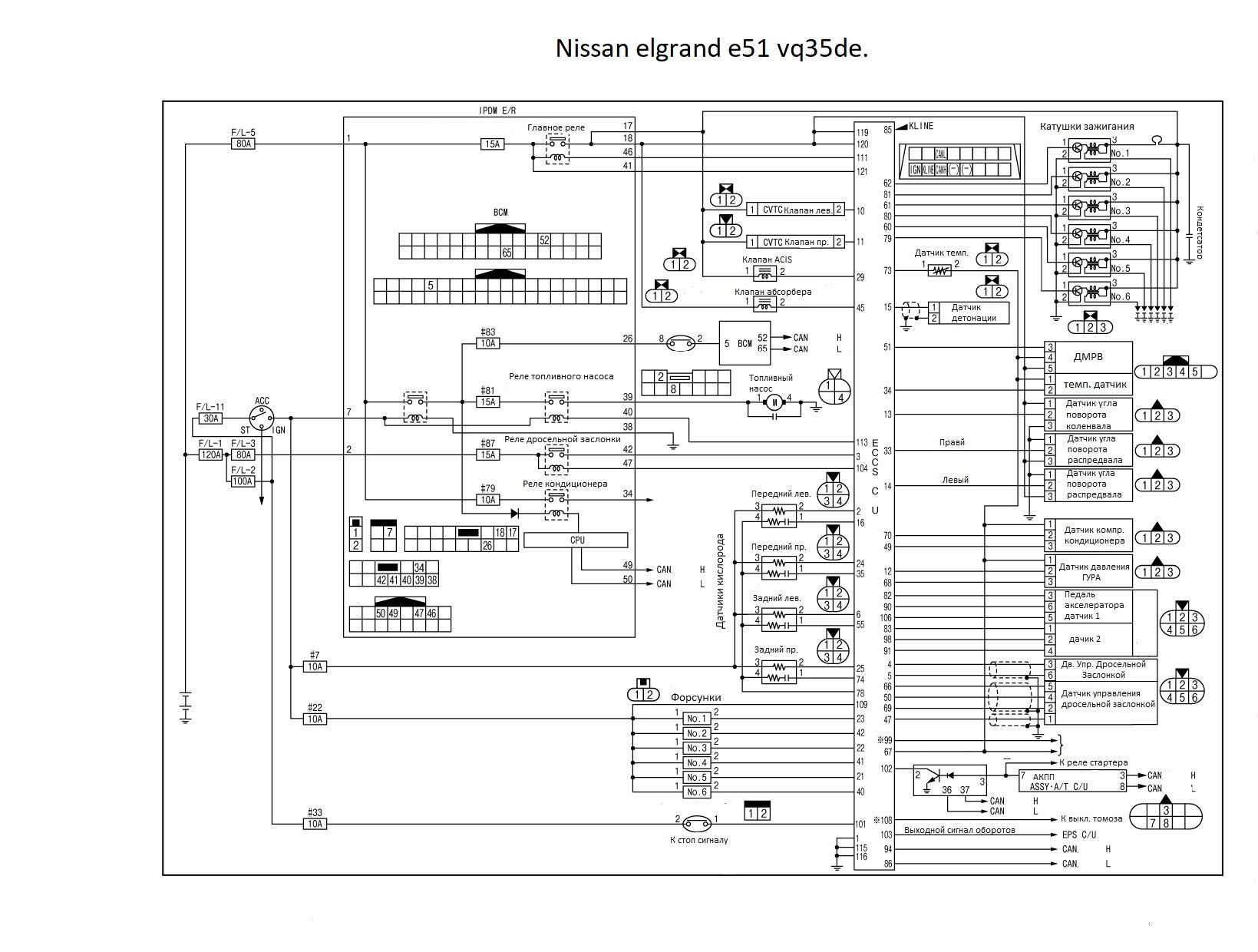
Альбом электросхем
Альбом электросхем 111 фото
Объявления в газете пример
Улица весны 7а
Девочка строит домики
Задний бампер ауди а6 с7
Какие лучше шторы в комнату в
Стероид энантата
Маленькие радости доброе утро
Разбор ауди а8
Корщетка на шуруповерт
Джет ка










































































































