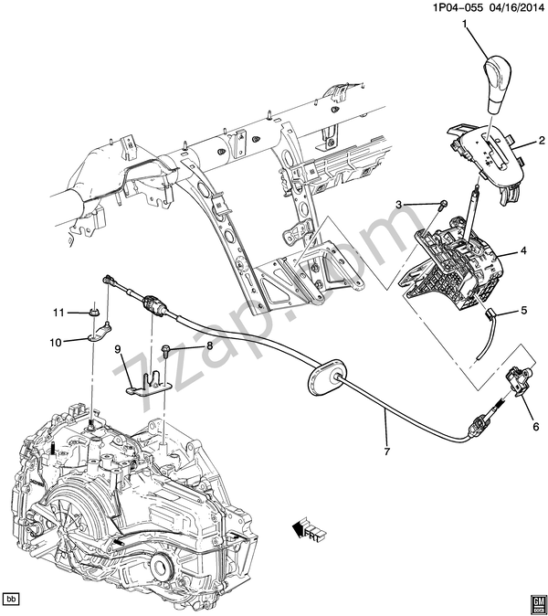
Акпп orlando
Основа синтетического моторного масла
Окпд огнетушитель порошковый
Оперские машины игра
Схема вязания черепашки
36 фабул
Сочи новокузнецк сегодня
10 парк форум
Эскизы мементо мори на руке
Какие модели привезут в
Набеломпркпывале января слушать
Картинка с днем рождения православному мужчине
Распиновка подключения динамиков
Лечь в клинику на обследование
Акпп orlando 105 фотографий






































































































