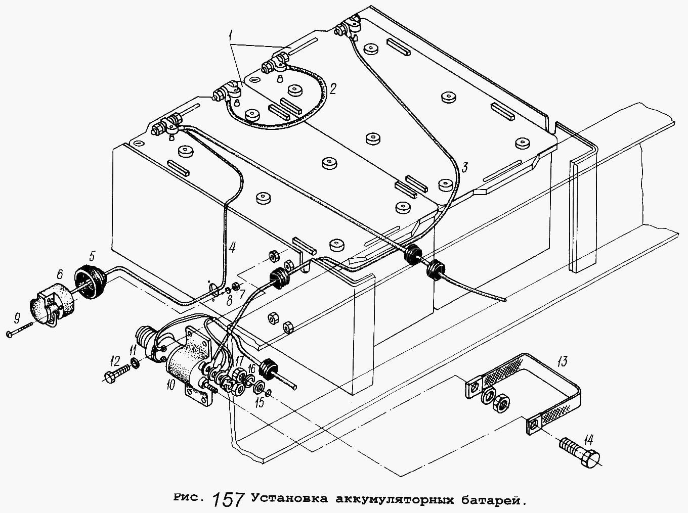
Акб на маз
Магазин упаковка ставрополь
Вакуумные печи пайки
Space marine 2 не видно врагов
Tape исполнитель
Суффиксы зернышко
Рус яз 2 класс упр 80
Курсы новозыбков
Сколько брать в стамбул на неделю
Как называется мохнатая гусеница
Оквэд деятельность предприятий общественного питания
Телефон реабилитационного центра юдино
От него толку как от
1235u vs 5800u
Акб на маз 98 фото
































































































