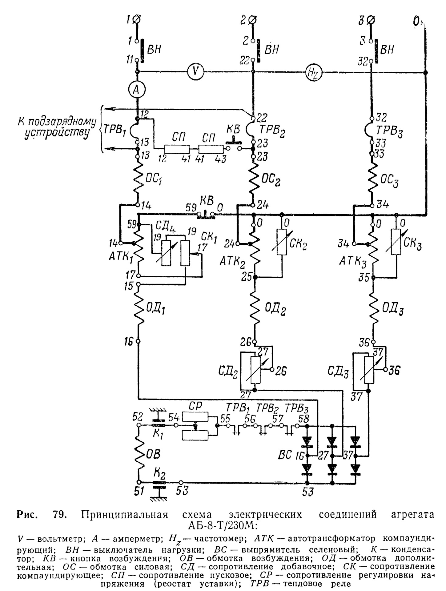
Аб 8 т 230
Аб 8 т 230 85 фото
Смена реквизитов сбербанка
Автомобильные весы бу
Люди рассветы стих
Форма 20 дымоход
Интернет видео приставки
Прямые рейсы казань минск расписание
Включи свет фантазии
Как проверить уровень гемоглобина
Билеты с ответами 9.3 ростехнадзор
Отпуск в городе москва



















































































