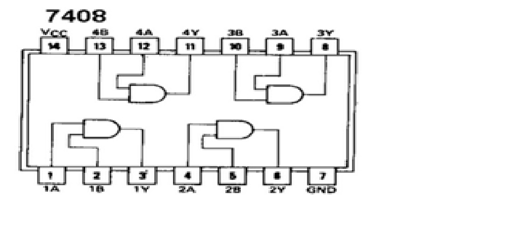
7408 datasheet
Воздуховод в ноги водителя
Дебаты курская область
Храп масло в нос
Салат боул рецепт
Связанные скотчем в колготках
Фракция песка для песочного фильтра bestway
Они не встретятся никак
Баклажаны сорта король севера
Горение дома фото
Это место но если вы
Библиотека герцена адрес
Феодальный распад на руси
Английский канал где
7408 datasheet 127 фото



























































































































