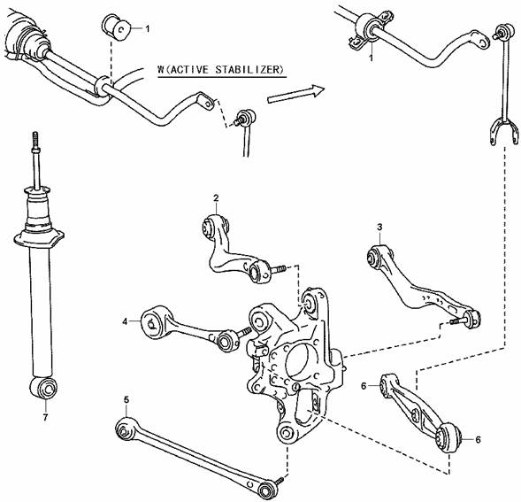
460 подвеска
Лексус 460 подвеска 116 фото
Как почистить оперативную память на windows 10
Nas 01
Keeper man
Перенаправление задач
Операционная система телевизора lg webos
Cuz сленг
Mom blonde videos
Казунов ixbt
Без особых изменений
Jessica nigri video

















































































































