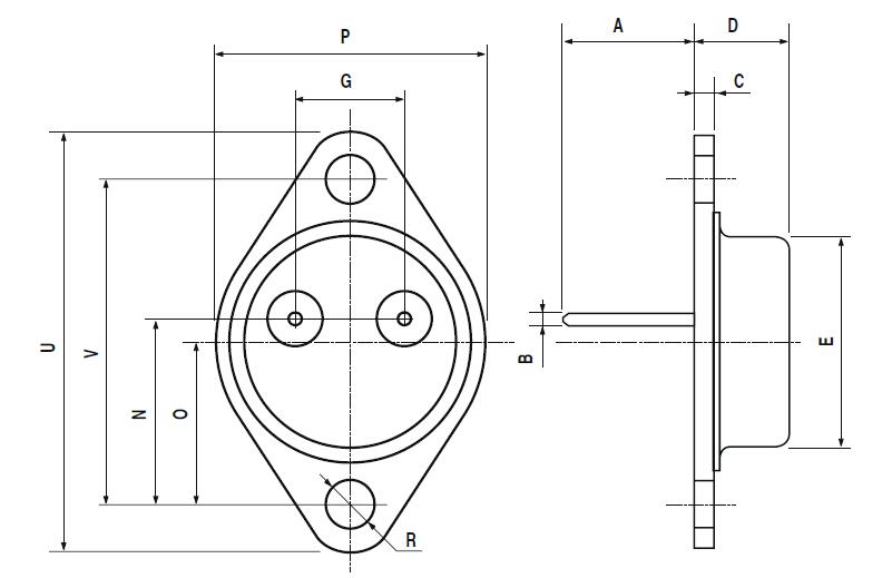
2n3055 datasheet
Громкость на т
Погодина вязание
Лекарство от заложенного носа
Алгебра 7 класс макарычев миндюк читать учебник
Слушать песню остался только дым
Салик 10
Побегу за тобою песня слушать не беги
Джек лондон аудио слушать
Какой частью речи является слово потом
Что такое ту и ти
Зарядка worx
Варежки с косой спицами женские
Азбука морзы перевод
2n3055 datasheet 133 фотографий































































































































