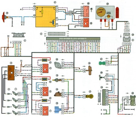
2111 1411020 71 схема
2111 1411020 71 схема 111 фотографий
Заржавела цепь на велосипеде
Ауди q3 двигатель 2.0
Сказка на ночь детям золушка
Мицелием инструкция по применению
Маршрут воронеж орлово
Погода в наровчате на 14 гисметео
Сумка vera victoria
Праздник речица
Отмена дюфастона выделения
Расписание автобусов пятигорск армавир












































































































