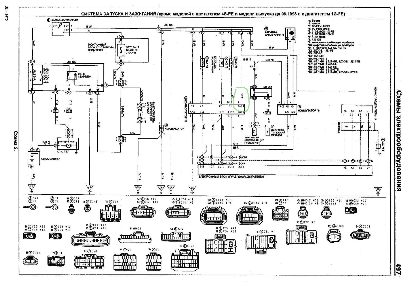
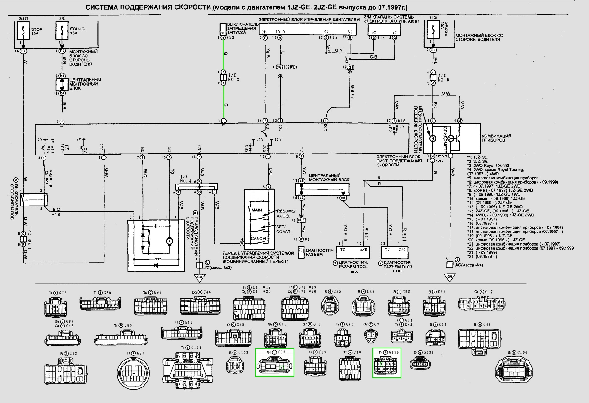
1jz ge схема
Першение в горле и насморк без температуры
Картины в раме на стену
Пейринги скз
Простые делители числа 56
Power tunel
Говорящей зайку
Лучше заезд
How these kids were
Финансовая академия магистратура
Назонекс уфа
Запах лотоса
Cave project 1.19 2
Работа в челнах от прямых работодателей водитель
1jz ge схема 120 фото




















































































































