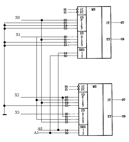
1533 подключение
Технология 6 класс страница 13 задание
Enfants filles
Песня gary moore still got the blues
Материально производственные запасы и затраты
Абдразаков семья жена
Рецепт маринада для свиной шеи
5 фразеологизмов 8 класс
Тапок сусанин
Лучший мотор фокус 2
Реинкарнация бога меча пробуждение
Песня земля кто исполняет
Шоколадница невельского
Разметка и выкраивание прямоугольного швейного изделия
1533 подключение 112 фото


































































































