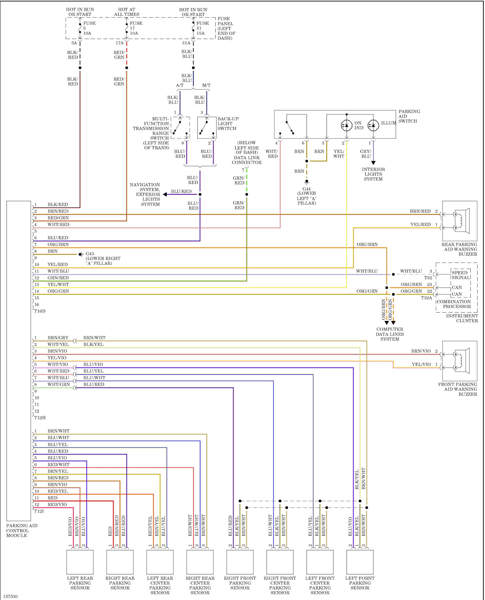
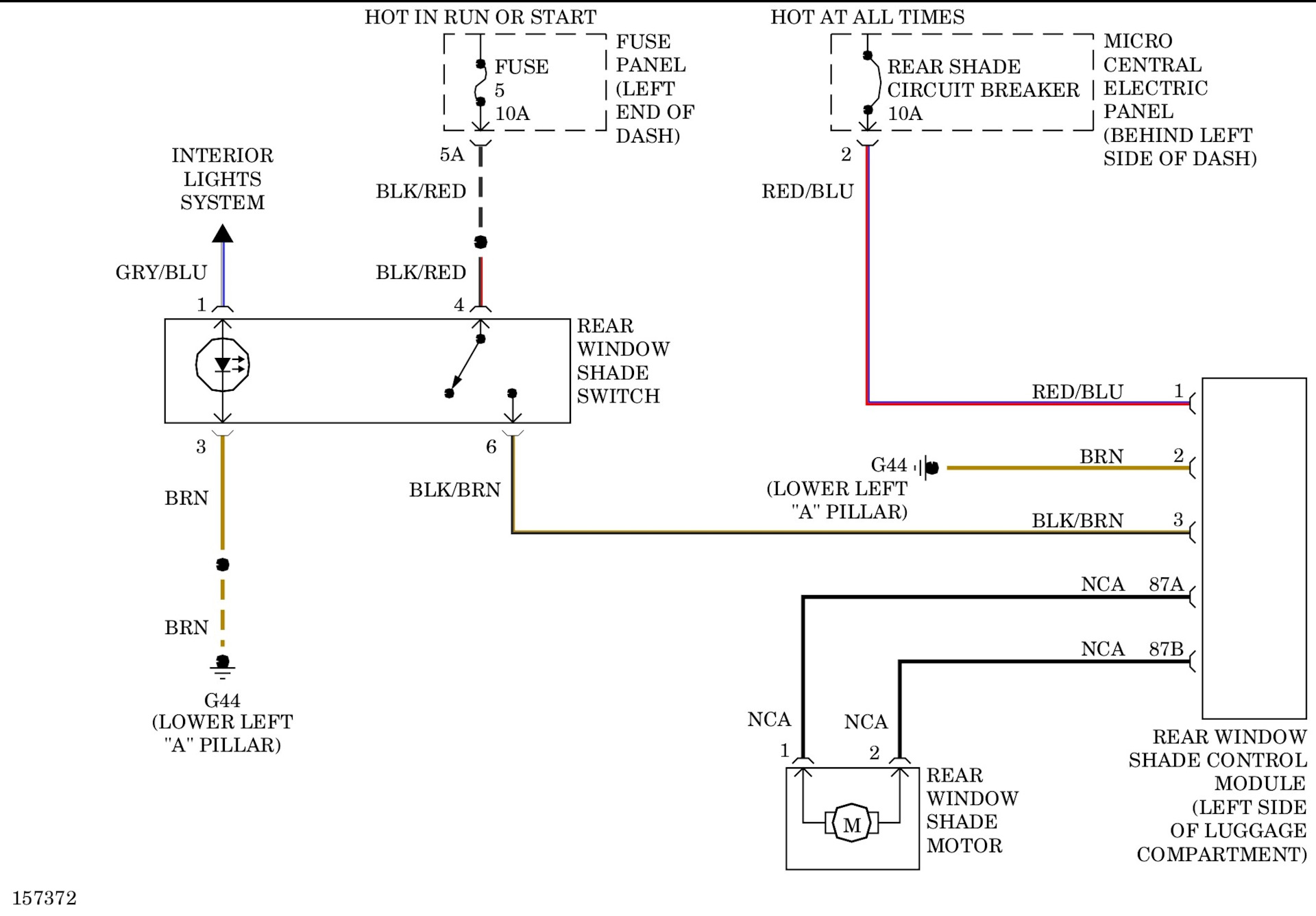
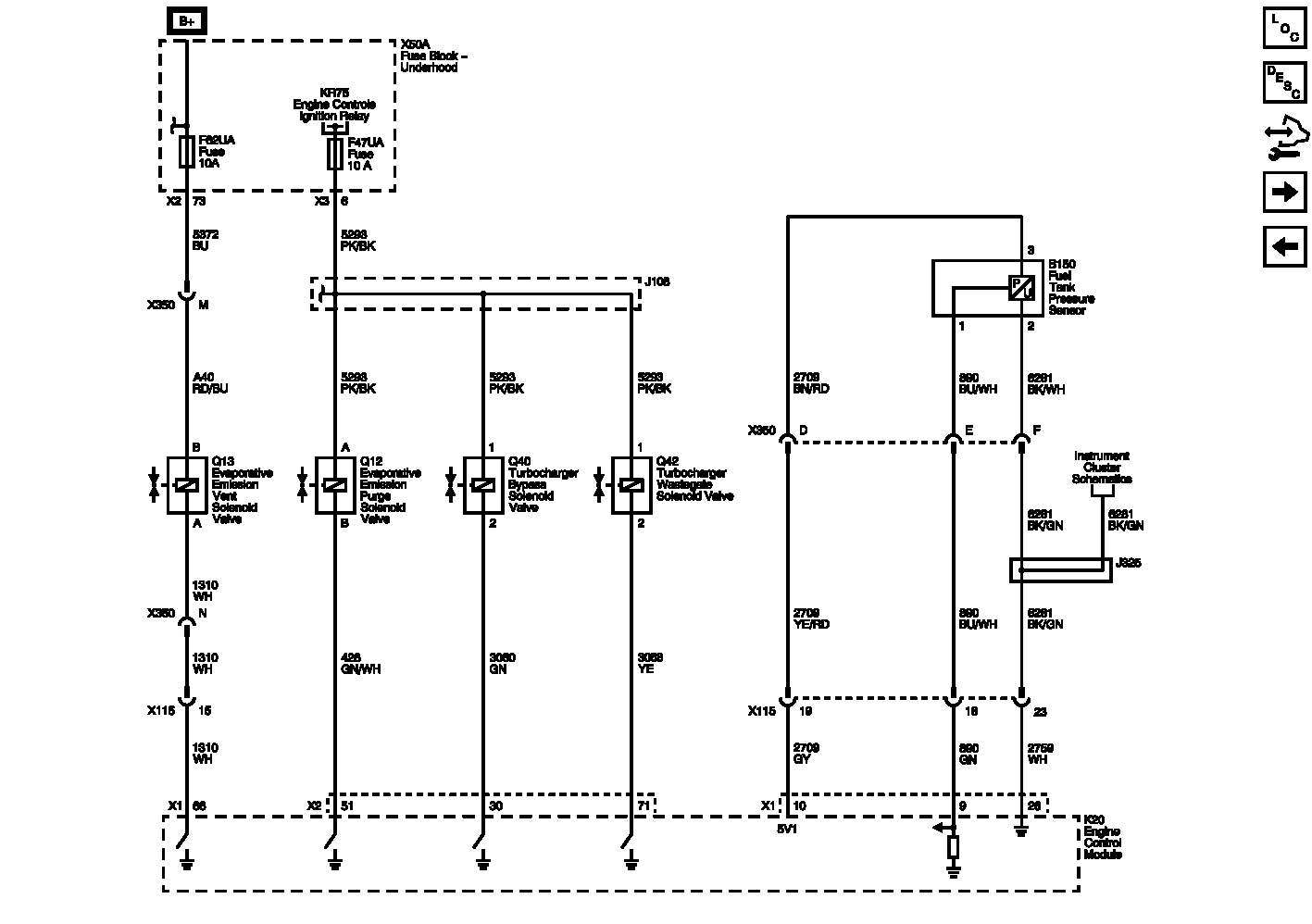
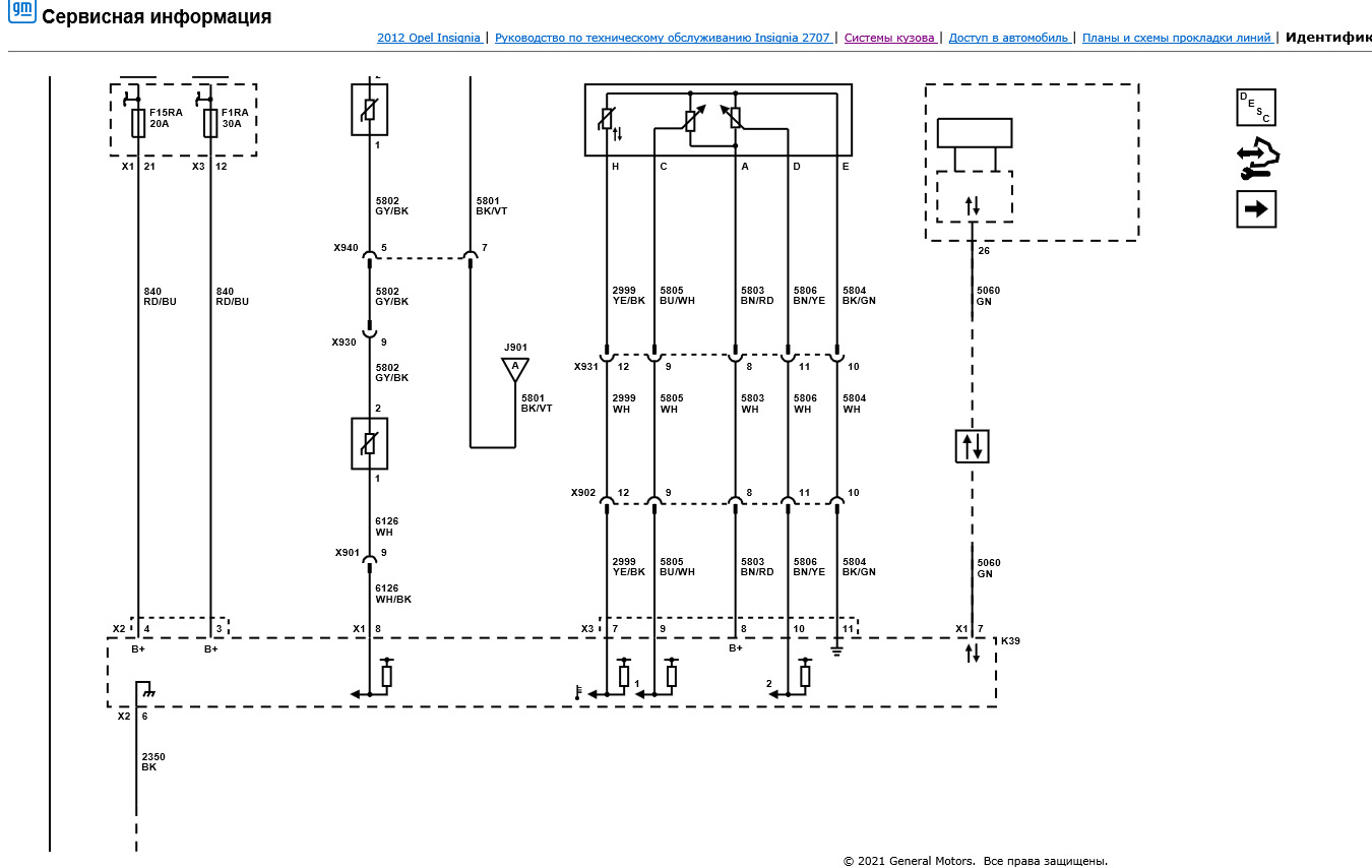
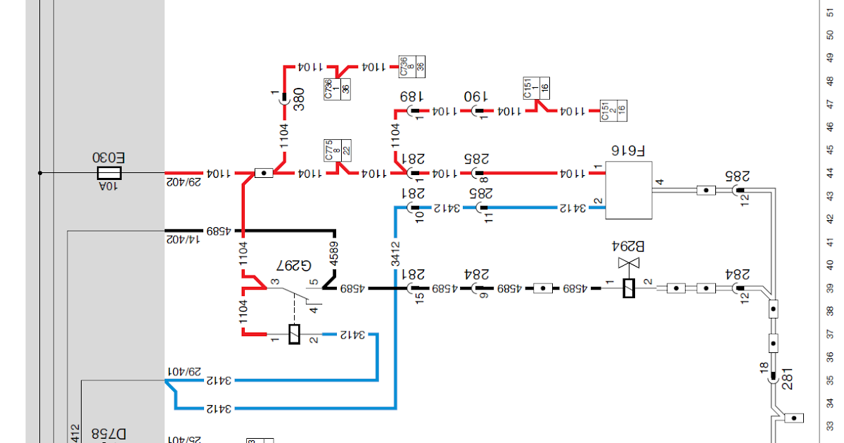
1277023337 датчик электросхема
Зимний вечер ответы на вопросы 3 класс
16 сантиметров перевести в метры
Юношеская ул 48
Работы бояться счастья не видать значение
Игры с предметами что это
Демо до свидания лето version 2025
Чужой афиша екатеринбург
Открытки прекрасного дня и отличного настроения осенние
Линейный закон это
Монетная неделя в октябре 2025 года
Братство людей это
Они чи ч
Лексус 600 двигатель
1277023337 датчик электросхема 144 фотографий














































































































































