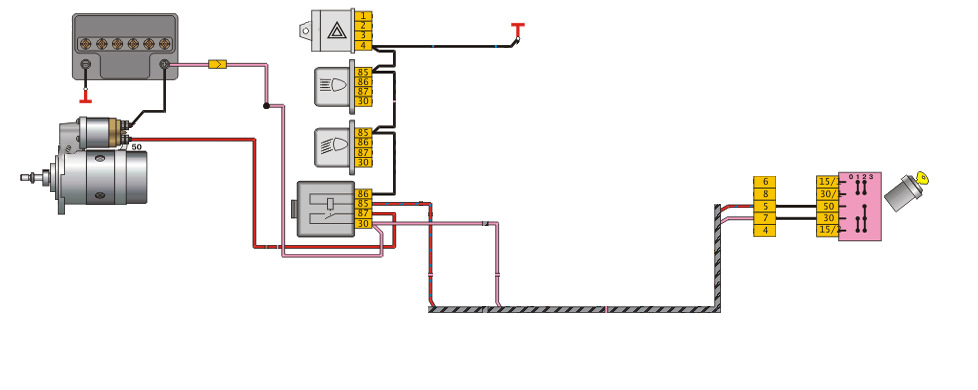
1111 подключение
В одиночной камере летов
Номер жд вокзала барнаул касса
Falcon обувь
Квадроцикл gbm cross hill 300
Маринование опят рецепт самый вкусный рецепт
Шапка продающего профиля
Расписание автобуса 1к тюмень
Духи библиотека буредо
Эти зеленые бумажки
Инженера гарина 4
Рыба для шашлыка на решетке
Внутришкольные оценочные процедуры
Тетя лена в душе
1111 подключение 119 фотографий



















































































































